г.Москва ул. МАРШАЛА НОВИКОВА
д.4 к.1 7-й подъезд, вход со двора.
метро Щукинская
Самовывоз Пн-Пт с 10-00 до 14-00
Пн-Пт с 9-00 до 17-00
Cб-Вс склад закрыт.
г.Москва ул. МАРШАЛА НОВИКОВА
д.4 к.1 7-й подъезд, вход со двора.
метро Щукинская
Самовывоз Пн-Пт с 10-00 до 14-00
Пн-Пт с 9-00 до 17-00
Cб-Вс склад закрыт.
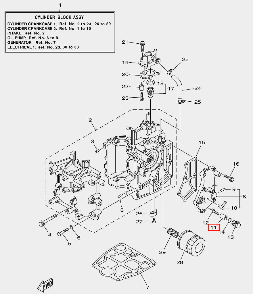
Детализация 2 Номер в детализации: 11
Заказ можно оплатить следующими способами:
- физические лица:
|
Оплата заказа происходит при получении товара в вашем городе.
|
|
![]() |
Сбербанк онлайн. |
| Яндекс.деньги | |
![]() |
По кватанции (квитанция формируется автоматически при оформлении заказа) |
![]() |
Наличными курьеру при получении заказа ( для Москвы )
|
юридические лица:
При оформлении заказа ( счет на оплату формируется автоматически при оформлении заказа на сайте)
или можно запросить счет отправив заявку на эл. почту. sale@100benzopil.ru
Доставка по Москве
Самовывоз со склада - бесплатно
Доставка в пределах МКАД - 300 рублей
Условия доставки за МКАД уточняйте у менеджеров
Доставка Почтой России
Доставка по РФ от - 250 рублей
Доставка Транспортными Компаниями
СДЭК, Boxberry от 250 рублей
Посмотрите еще:



